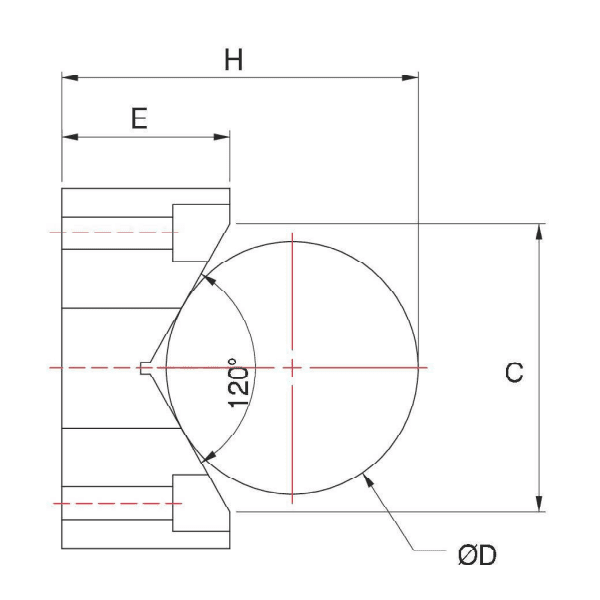
GinChan-64160 Jaw with Groove V(Suitable for MKS-A/B.MCS,China manufacturer

$1.00

9999 in stock

Description